This is cloned from Production by 20250-11-19 and Noted this is Preprod environment.
L4PDF-BHC
7-16 DIN Female Bulkhead for 1/2 in LDF4-50A cable
Specifications
Product classification
| Product Type | Wireless and radiating connector |
| Product Brand | HELIAX® |
| Product Series | LDF4-50A |
General specifications
| Body Style | Bulkhead |
| Cable Family | LDF4-50A |
| Inner Contact Attachment Method | Captivated |
| Inner Contact Plating | Silver |
| Interface | 7-16 DIN Female |
| Mounting Angle | Straight |
| Outer Contact Attachment Method | Self-flare |
| Outer Contact Plating | Silver |
| Pressurizable | No |
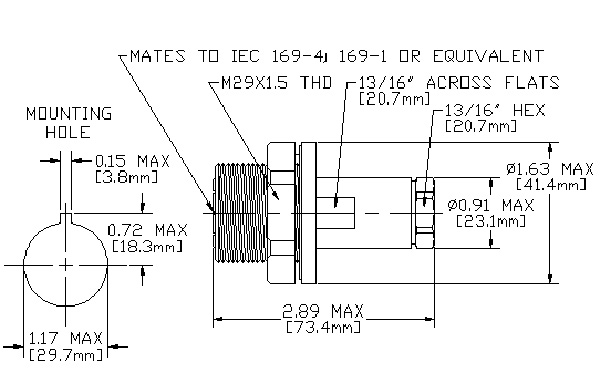
Dimensions
| Length | 73.66 mm | 2.900 in |
| Diameter | 40.64 mm | 1.600 in |
| Nominal Size | 1/2 in |
Outline drawing
| Click on image to enlarge. |
Electrical specifications
| Insertion Loss Coefficient, typical | 0.05 |
| Average Power at Frequency | 1.1 kW @ 900 MHz |
| Cable Impedance | 50 ohm |
| Connector Impedance | 50 ohm |
| dc Test Voltage | 4000 V |
| Inner Contact Resistance, maximum | 0.8 mOhm |
| Insulation Resistance, minimum | 5000 mOhm |
| Operating Frequency Band | 0 – 4000 MHz |
| Outer Contact Resistance, maximum | 1.5 mOhm |
| Peak Power, maximum | 40 kW |
| RF Operating Voltage, maximum (vrms) | 1415 V |
| Shielding Effectiveness | -110 dB |
Return loss/vswr
| Frequency band | Vswr | Return loss (db) |
| 45–1000 MHz | 1.029 | 36.90 |
| 1010–3000 MHz | 1.065 | 30.04 |
| 3010–4000 MHz | 1.222 | 20.01 |
Mechanical specifications
| Attachment Durability | 25 cycles |
| Connector Retention Tensile Force | 889.64 N | 200.000 lbf |
| Connector Retention Torque | 5.42 N-m | 47.998 in lb |
| Insertion Force | 200.17 N | 45.000 lbf |
| Insertion Force Method | IEC 61169-1:15.2.4 |
| Interface Durability | 50 cycles |
| Interface Durability Method | IEC 61169-4:9.5 |
| Mechanical Shock Test Method | MIL-STD-202, Method 213, Test Condition I |
Environmental specifications
| Operating Temperature | -55 °C to +85 °C (-67 °F to +185 °F) |
| Storage Temperature | -55 °C to +85 °C (-67 °F to +185 °F) |
| Attenuation, Ambient Temperature | 20 °C | 68 °F |
| Average Power, Ambient Temperature | 40 °C | 104 °F |
| Corrosion Test Method | MIL-STD-1344A, Method 1001.1, Test Condition A |
| Immersion Depth | 1 m |
| Immersion Test Mating | Mated |
| Immersion Test Method | IEC 60529:2001, IP68 |
| Moisture Resistance Test Method | MIL-STD-202F, Method 106F |
| Thermal Shock Test Method | MIL-STD-202F, Method 107G, Test Condition A-1, Low Temperature -55 °C |
| Vibration Test Method | IEC 60068-2-6 |
| Water Jetting Test Mating | Mated |
| Water Jetting Test Method | IEC 60529:2001, IP66 |
Packaging and weights
| Weight, net | 318 g | 0.701 lb |
Regulatory compliance/certifications
| Agency | Classification |
|
CHINA-ROHS
|
Below maximum concentration value |
| ISO 9001:2015 | Designed, manufactured and/or distributed under this quality management system |
| ROHS | Compliant |
| UK-ROHS | Compliant |
Product classification
| Product Type | Wireless and radiating connector |
| Product Brand | HELIAX® |
| Product Series | LDF4-50A |
General specifications
| Body Style | Bulkhead |
| Cable Family | LDF4-50A |
| Inner Contact Attachment Method | Captivated |
| Inner Contact Plating | Silver |
| Interface | 7-16 DIN Female |
| Mounting Angle | Straight |
| Outer Contact Attachment Method | Self-flare |
| Outer Contact Plating | Silver |
| Pressurizable | No |
Dimensions
| Length | 73.66 mm | 2.900 in |
| Diameter | 40.64 mm | 1.600 in |
| Nominal Size | 1/2 in |
Electrical specifications
| Insertion Loss Coefficient, typical | 0.05 |
| Average Power at Frequency | 1.1 kW @ 900 MHz |
| Cable Impedance | 50 ohm |
| Connector Impedance | 50 ohm |
| dc Test Voltage | 4000 V |
| Inner Contact Resistance, maximum | 0.8 mOhm |
| Insulation Resistance, minimum | 5000 mOhm |
| Operating Frequency Band | 0 – 4000 MHz |
| Outer Contact Resistance, maximum | 1.5 mOhm |
| Peak Power, maximum | 40 kW |
| RF Operating Voltage, maximum (vrms) | 1415 V |
| Shielding Effectiveness | -110 dB |
Return loss/vswr
| Frequency Band | VSWR | Return Loss (dB) |
| 45–1000 MHz | 1.029 | 36.90 |
| 1010–3000 MHz | 1.065 | 30.04 |
| 3010–4000 MHz | 1.222 | 20.01 |
Mechanical specifications
| Attachment Durability | 25 cycles |
| Connector Retention Tensile Force | 889.64 N | 200.000 lbf |
| Connector Retention Torque | 5.42 N-m | 47.998 in lb |
| Insertion Force | 200.17 N | 45.000 lbf |
| Insertion Force Method | IEC 61169-1:15.2.4 |
| Interface Durability | 50 cycles |
| Interface Durability Method | IEC 61169-4:9.5 |
| Mechanical Shock Test Method | MIL-STD-202, Method 213, Test Condition I |
Environmental specifications
| Operating Temperature | -55 °C to +85 °C (-67 °F to +185 °F) |
| Storage Temperature | -55 °C to +85 °C (-67 °F to +185 °F) |
| Attenuation, Ambient Temperature | 20 °C | 68 °F |
| Average Power, Ambient Temperature | 40 °C | 104 °F |
| Corrosion Test Method | MIL-STD-1344A, Method 1001.1, Test Condition A |
| Immersion Depth | 1 m |
| Immersion Test Mating | Mated |
| Immersion Test Method | IEC 60529:2001, IP68 |
| Moisture Resistance Test Method | MIL-STD-202F, Method 106F |
| Thermal Shock Test Method | MIL-STD-202F, Method 107G, Test Condition A-1, Low Temperature -55 °C |
| Vibration Test Method | IEC 60068-2-6 |
| Water Jetting Test Mating | Mated |
| Water Jetting Test Method | IEC 60529:2001, IP66 |
Packaging and weights
| Weight, net | 318 g | 0.701 lb |
| Click on image to enlarge. |
Regulatory compliance/certifications
| Agency | Classification |
|
CHINA-ROHS
|
Below maximum concentration value |
| ISO 9001:2015 | Designed, manufactured and/or distributed under this quality management system |
| ROHS | Compliant |
| UK-ROHS | Compliant |
Installation & videos
Documentation & downloads