This is cloned from Production by 20250-11-19 and Noted this is Preprod environment.
APT-NFNF-DB
Base product: SURGE-ARRESTORS
Arrestor Plus® Dual Band Quarterwave Surge Arrestor (T-shaped, Cylindrical), 800–2170 MHz, with interface types N Female and N Female
Specifications
Product classification
| Product Type | Quarter wave shorting stub |
| Product Brand | Arrestor Plus® |
| Ordering Note | ANDREW® non-standard product |
General specifications
| Device Type | dc Block |
| Inner Contact Plating | Gold |
| Interface | N Female |
| Interface 2 | N Female |
| Outer Contact Plating | Trimetal |
| Pressurizable | No |
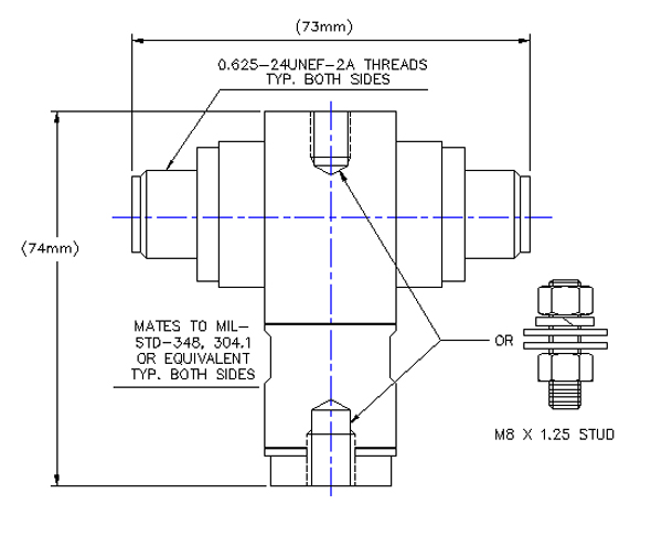
Dimensions
| Height | 74 mm | 2.913 in |
| Width | 25 mm | 0.984 in |
| Length | 73 mm | 2.874 in |
Outline drawing
| Click on image to enlarge. |
Electrical specifications
| 3rd Order IMD | -117 dBm |
| 3rd Order IMD Test Method | Two +43 dBm carriers |
| Insertion Loss, typical | 0.07 dB |
| Average Power at Frequency | 600.0 W @ 900 MHz |
| Connector Impedance | 50 ohm |
| Lightning Surge Capability | 100 times @ 20 kA |
| Lightning Surge Capability Test Method | IEEE C62.42-1991 |
| Lightning Surge Capability Waveform | 8/20 waveform |
| Lightning Surge Current | 30 kA |
| Lightning Surge Current Waveform | 8/20 waveform |
| Operating Frequency Band | 806 – 824 MHz | 824 – 960 MHz | 1710 – 2000 MHz | 2000 – 2170 MHz |
| Peak Power, maximum | 10 kg/mm |
| Throughput Energy at Current | 2.0 mJ @ 30 kA | 25.0 μJ @ 2 kA |
| Throughput Energy Waveform | 8/20 waveform |
Return loss/vswr
| Frequency band | Vswr | Return loss (db) |
| 806–824 MHz | 1.152 | 23.02 |
| 824–960 MHz | 1.135 | 23.98 |
| 1710–2000 MHz | 1.101 | 26.36 |
| 2000–2170 MHz | 1.135 | 23.98 |
Mechanical specifications
| Attachment Durability | 25 cycles |
| Interface Durability | 500 cycles |
| Interface Durability Method | IEC 61169-16:9.5 |
| Mechanical Shock Test Method | MIL-STD-202F, Method 213B, Test Condition C |
Environmental specifications
| Operating Temperature | -40 °C to +150 °C (-40 °F to +302 °F) |
| Storage Temperature | -40 °C to +100 °C (-40 °F to +212 °F) |
| Attenuation, Ambient Temperature | 20 °C | 68 °F |
| Average Power, Ambient Temperature | 40 °C | 104 °F |
| Corrosion Test Method | MIL-STD-202, Method 101, Test Condition B |
| Immersion Depth | 1 m |
| Immersion Test Mating | Mated |
| Immersion Test Method | IEC 60529:2001, IP68 |
| Moisture Resistance Test Method | MIL-STD-202, Method 106 |
| Thermal Shock Test Method | MIL-STD-202, Method 107, Test Condition A-1, Low Temperature -55 °C |
| Vibration Test Method | GR 2846-CORE |
| Water Jetting Test Mating | Mated |
Packaging and weights
| Weight, net | 0.399 kg | 0.88 lb |
Regulatory compliance/certifications
| Agency | Classification |
|
CHINA-ROHS
|
Above maximum concentration value |
| ISO 9001:2015 | Designed, manufactured and/or distributed under this quality management system |
| ROHS | Compliant/Exempted |
| UK-ROHS | Compliant/Exempted |
| REACH-SVHC | Compliant as per SVHC revision on www.andrew.com/ProductCompliance |
Product classification
| Product Type | Quarter wave shorting stub |
| Product Brand | Arrestor Plus® |
| Ordering Note | ANDREW® non-standard product |
General specifications
| Device Type | dc Block |
| Inner Contact Plating | Gold |
| Interface | N Female |
| Interface 2 | N Female |
| Outer Contact Plating | Trimetal |
| Pressurizable | No |
Dimensions
| Height | 74 mm | 2.913 in |
| Width | 25 mm | 0.984 in |
| Length | 73 mm | 2.874 in |
Electrical specifications
| 3rd Order IMD | -117 dBm |
| 3rd Order IMD Test Method | Two +43 dBm carriers |
| Insertion Loss, typical | 0.07 dB |
| Average Power at Frequency | 600.0 W @ 900 MHz |
| Connector Impedance | 50 ohm |
| Lightning Surge Capability | 100 times @ 20 kA |
| Lightning Surge Capability Test Method | IEEE C62.42-1991 |
| Lightning Surge Capability Waveform | 8/20 waveform |
| Lightning Surge Current | 30 kA |
| Lightning Surge Current Waveform | 8/20 waveform |
| Operating Frequency Band | 806 – 824 MHz | 824 – 960 MHz | 1710 – 2000 MHz | 2000 – 2170 MHz |
| Peak Power, maximum | 10 kg/mm |
| Throughput Energy at Current | 2.0 mJ @ 30 kA | 25.0 μJ @ 2 kA |
| Throughput Energy Waveform | 8/20 waveform |
Return loss/vswr
| Frequency Band | VSWR | Return Loss (dB) |
| 806–824 MHz | 1.152 | 23.02 |
| 824–960 MHz | 1.135 | 23.98 |
| 1710–2000 MHz | 1.101 | 26.36 |
| 2000–2170 MHz | 1.135 | 23.98 |
Mechanical specifications
| Attachment Durability | 25 cycles |
| Interface Durability | 500 cycles |
| Interface Durability Method | IEC 61169-16:9.5 |
| Mechanical Shock Test Method | MIL-STD-202F, Method 213B, Test Condition C |
Environmental specifications
| Operating Temperature | -40 °C to +150 °C (-40 °F to +302 °F) |
| Storage Temperature | -40 °C to +100 °C (-40 °F to +212 °F) |
| Attenuation, Ambient Temperature | 20 °C | 68 °F |
| Average Power, Ambient Temperature | 40 °C | 104 °F |
| Corrosion Test Method | MIL-STD-202, Method 101, Test Condition B |
| Immersion Depth | 1 m |
| Immersion Test Mating | Mated |
| Immersion Test Method | IEC 60529:2001, IP68 |
| Moisture Resistance Test Method | MIL-STD-202, Method 106 |
| Thermal Shock Test Method | MIL-STD-202, Method 107, Test Condition A-1, Low Temperature -55 °C |
| Vibration Test Method | GR 2846-CORE |
| Water Jetting Test Mating | Mated |
Packaging and weights
| Weight, net | 0.399 kg | 0.88 lb |
| Click on image to enlarge. |
Regulatory compliance/certifications
| Agency | Classification |
|
CHINA-ROHS
|
Above maximum concentration value |
| ISO 9001:2015 | Designed, manufactured and/or distributed under this quality management system |
| ROHS | Compliant/Exempted |
| UK-ROHS | Compliant/Exempted |
| REACH-SVHC | Compliant as per SVHC revision on www.andrew.com/ProductCompliance |
Installation & videos
Installation instruction
Documentation & downloads